The power supply system is a crucial component for the hardware design of automotive controllers. This article focuses on the power supply for sensors, microcontrollers, actuators, and communication.
1. Sensor power supply
Automotive controllers use various sensors, usually needing a stable and reliable power supply to ensure they can work properly. The type of supply voltage depends on the type and design of the sensor. The following are some common types of automotive sensor supply voltages:
- 5V: This is the most common voltage in automotive electrical systems. Many sensors, such as temperature sensors, pressure sensors, and position sensors, require a 5V supply.
 - 12V: 12V is the standard voltage in automotive electrical systems, so many sensors, such as tacho sensors, require a 12V power supply.
 - Other voltages, in some large commercial vehicles or special application scenarios, it may be necessary to use a 24V power supply. For example, some heavy trucks and excavators may need a 24V power supply.
 
The following lists the supply voltage range of several sensors:
1) Pressure sensor
supply voltage range 8V-32V, 5V optional.

Fig. 1
(2) Position sensor
supply voltage range 4.75V-5.25V, typical 5V.

Fig. 2
(3) Speed sensor
supply voltage range of 4V-24V, typically 12V.

Fig. 3
2. Microcontroller power supply
The supply voltage of the microcontroller can be divided into the following categories:
- 5V: 5V is the most common microcontroller supply voltage, including many traditional 8-bit microcontrollers and some older 16-bit microcontrollers.
 - 3.3V: 3.3V is the more common supply voltage in modern microcontrollers, including many 32-bit microcontrollers and some newer 16-bit microcontrollers. Due to lower power consumption, smaller devices, such as portable devices, often use 3.3V microcontrollers.
 - 1.3V: Some newer microcontrollers, especially with low power consumption and high performance, require lower supply voltages. 1.3V is a common voltage for some of these types of microcontrollers.
 
Note that different microcontrollers may have different supply voltage requirements, and the specific supply voltage needs to be determined according to the specific datasheet. The following lists several supply voltage values for the Infineon Aurix TC3XX family.

Fig. 4
PIN arrangement type

Fig. 5 PIN Definition

Fig. 6 Part of the PIN definition related to the supply voltage
As seen above, the TC3X microcontroller is available in three supply voltages: 1.3V, 3.3V, and 5V. Usually, to ensure the stable operation of the microcontroller, it is necessary to provide a stable power supply for the microcontroller, which is usually ensured by using a special power management chip and a hardware processing circuit.
3. Actuator power supply
The vehicle controller controls the actuators employing control signals and electrical energy conversion, etc., to realize the control and regulation of each vehicle system. These actuator types are mainly as follows:
- Motor actuators: used to control the operating status of automotive motors, such as BLDC, PMSM, IM, etc.
 - Solenoid valve actuator: Used to control the operating status of the hydraulic system and pneumatic system of the car, such as brake valve, shift valve, etc.
 - Electromagnetic relay actuator: used to control the circuit and electrical equipment of the car, such as electrical relay, electromagnetic contactor, etc.
 - Pneumatic actuator: used to control the air pressure system and hydraulic system of the car, such as brake pump, airbag, etc.
 - Solenoid actuator: Used to control the locking and unlocking operations of automobiles, such as door locks, engine starters, etc.
 - Optical switch actuators: Used to control devices such as photoelectric and proximity switches of automobiles, such as light switches, wiper switches, etc.
 
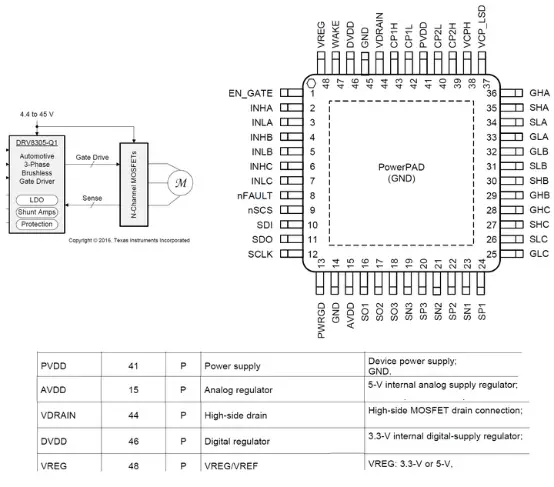
These actuators usually need the peripheral chip of the microcontroller to drive, as follows, the driver chip of BLDC. To ensure the normal operation of this chip, it needs to provide both 3.3V and 5V supply voltage.

Fig. 7
4. Communication power supply
Automotive controllers usually need to communicate with each other to interact with information. Taking CAN communication as an example, a CAN transceiver is needed to convert the differential signal of the CAN bus into a logic-level signal, so it is necessary to supply power to the CAN transceiver as follows:

Fig. 8
5. Power supply system
To realize the power supply to the above several electronic devices, the automotive controller needs a power supply management system, i.e. power management system, as follows:

Fig. 9
The above is a basic introduction to the power management system of the automotive controller, summarized as follows:
- Microcontroller: The microcontroller in the automotive controller is the core of the whole system and needs to provide a stable and reliable power supply. Normally, the microcontroller’s power supply voltage is 1.3V, 3.3V, and 5V, which must be provided through the power management system.
 - Sensors: There are various types of sensors in automotive controllers, such as temperature sensors, pressure sensors, position sensors, and speed sensors. These sensors are typically supplied with 3V to 5V or a little higher 12V and must be provided through the power management system.
 - Actuators: There are various actuators in automotive controllers, such as motor actuators, solenoid actuators, servo actuators, etc. The power supply voltage of these actuators usually ranges from 3V to 5V or 12V to 24V and needs to be provided through the power management system.
 - Communication chips: The communication chips in automotive controllers include CAN bus controllers, LIN bus controllers, etc. The power supply voltage of these communication chips usually ranges from 3.3V to 5V and needs to be provided through the power management system.
 - Memory: The memory in the automotive controller includes flash memory, RAM, etc. The power supply voltage of these memories is usually between 1.8V and 3.3V and needs to be provided through the power management system.
 - Other auxiliary devices: Some other auxiliary devices in the car controller, such as a buzzer, electronic horn, etc. These devices have different power supply voltage ranges and require a suitable power management solution to be selected on a case-by-case basis.
 
					